1980 - 85 Seville

This listing only covers the most frequently requested parts for this year of Cadillac. If the item or items you are looking for are not shown, please email us at sales@cadillacville.com for price and availability. Cadillacville has an extensive inventory. International orders welcome.

Shop Our New Online Cadillac Parts Store at https://shopcadillacville.com
Thousand's of Parts Available

How to order and pay

 

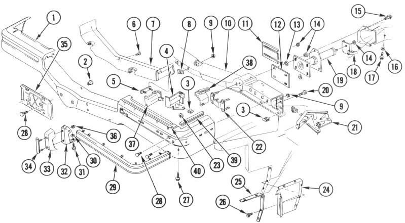
Front bumper

 

 

Prices are for each, unless otherwise noted.

 

Quality Grade
Quality level explanation

  _____5 __ _____4 __ _____3 __ _____2 __ _____1
1. Main bar -- --   250.00   300.00   350.00
10. Main bar re-enforcement ......(aluminum) -- -- -- -- 95.00
29. End impact strip --   --   45.00   55.00   65.00
33. Bumper guard ....(without impact strip) -- -- -- 35.00 45.00
34. Bumper guard impact strip -- -- -- 35.00 45.00
Illustration of front bumper assembly

If a part doesn't have a price filled in yet, It doesn't mean we don't have that item.

Front grill and lights

dbaer's cadillacville specializes in original Cadillac parts. Our extensive inventory of retired Cadillacs allows us to offer a variety of conditions, ranging from average driver to excellent. Of course, for higher quality you pay a higher price.

Front grill -- -- 75.00 95.00 125.00
Left headlight/park/corner light chrome door --   45.00   55.00   75.00   95.00
Right headlight/park/corner light chrome door --   45.00   55.00   75.00   95.00
Left or Right plastic headlight housing ..... (80-81 style) -- -- -- 65.00 75.00
Headlight mounting panel .......(later style, goes across  -- -- -- 150.00 195.00
..........entire front of car, hard to find with good tabs)
Left or Right parking light lens -- -- 45.00 55.00 65.00
Left or Right corner light lens -- 45.00 55.00 75.00 95.00
Illustration of 80-81 front lights
Illustration of 82-85 front lights
1. Right front fender forward lower filler -- -- -- -- 76.00
............(new ABS plastic)
1. Right front fender forward lower filler -- -- -- -- 85.00
........(nice used original)
2. Right front headlight assembly lower filler -- -- -- -- 24.00
...........(new ABS plastic)
3. Left front headlight assembly lower filler -- -- -- -- 24.00
...........(new ABS plastic)
3. Left front  fender forward lower filler -- -- -- -- 85.00
........(nice used original)
4. Left front fender forward lower filler -- -- -- -- 76.00
..........(new ABS plastic)
Complete 4-piece front filler set 151.00
...........(new ABS plastic)
Illustration of front fillers

 

Fenders and hood

 

Fenders

Left fender ........(without trim, lights) --   --   125.00   150.00   175.00
Right fender .......(without trim, lights) --   --   150.00   175.00   195.00
Inner fender .......(sheet metal part plastic wheelhouse bolts to) -- -- -- -- 95.00
Wheelhouse ........(plastic, bolts to inner fender) -- -- -- -- 95.00
Fender forward extension -- -- 45.00 55.00 65.00
Fender upper molding ......(long die cast piece, tends to pit  -- -- 75.00 95.00 125.00
........easily)
Fender body side molding .....(adhesive backed, color?) -- -- -- 22.00 32.00
Left wheel opening molding -- -- 35.00 45.00 55.00
Right wheel opening molding -- -- 45.00 55.00 65.00
Monitor light assembly -- -- -- -- --
Power antenna assembly .........(core charge of $35.00  -- -- -- -- 150.00
........not included in price)
Illustration of sheet metal

Hood

Hood front molding ........(die cast piece, pits easily) --   --   55.00   75.00   95.00
Hood ornament --   --   28.00   38.00   48.00
Hood gas charged shocks .......(each, nice used) -- -- -- -- 35.00

Prices and availability subject to change without notice.

Doors ...........(for interior trim see Interior)

 

Left front door shell ........(without moldings, trim) --   --   150.00   175.00   195.00
Right front door shell .......(without moldings, trim) --   --   150.00   175.00   195.00
Left front door glass -- -- -- -- 75.00
Left front door window motor/regulator ......(motor and  -- -- -- -- 125.00
.........regulator riveted together, sold as complete assembly)
Right front door window motor/regulator.....(motor and  -- -- -- -- 125.00
.........regulator riveted together, sold as complete assembly)
Front door beltline molding .........(die cast, pit/tarnish  -- -- 45.00 55.00 65.00
........easily)
Rear door beltline molding .......(die cast, pit/tarnish easily) -- -- 45.00 55.00 65.00
Front door body side molding ......(adhesive backed,  -- -- -- 35.00 45.00
........color?)
Rear door body side molding .......(adhesive backed,  -- -- -- 25.00 35.00
........color?)
Left door rear view mirror .......(electric control, heated?) -- -- 95.00 125.00 150.00
Left door rear view mirror .......(manual remote control,  -- -- 75.00 95.00 125.00
........heated?)
Right door rear view mirror ........(electric control, heated?) -- -- 95.00 125.00 150.00
Right door rear view mirror .......(manual remote control,  -- -- 75.00 95.00 125.00
......heated?)
Illustration of door hardware
Body, roof and glass

 

A-pillar/windshield post drip rail molding --   --   --   --   25.00
Roof rail drip rail molding ......(above doors) --   --   --   --   40.00
C-pillar drip rail molding ........(behind doors, die cast piece) -- -- 45.00 55.00 65.00
Illustration of door and quarter moldings

These are the most requested items. Feel free to inquire about items not listed.

Quarter and trunk

 

Quarter upper molding .......(die cast, tarnish/pits easily) --   --   75.00   95.00   125.00
Left wheel opening molding --   --   --   38.00   48.00
Right wheel opening molding -- -- -- 38.00 48.00
Trunk lock cover assembly 45.00 55.00 75.00 95.00 125.00

Terminology has been dbaerized.

Rear bumper

 

9. Main bar --   195.00   250.00    295.00   350.00
17. Main bar re-enforcement .....(aluminum) -- -- -- -- 95.00
8. End impact strip --   --   75.00   95.00   125.00
Illustration of rear bumper assembly

 

Rear lights and fillers

 

Lights

Tail light lens ......(1980 - 83) --   --   75.00   95.00   125.00
Tail light lens .......(1984 & 85, when available) --   --   75.00   95.00   125.00

Fillers

1.  Left quarter extension and tail light filler  ..... (new  --   --   --   --   116.00
...........aftermarket ABS comes in 2 pieces, ABS, replaces 
...........1 piece original)
2. License filler .....(new aftermarket ABS) -- -- -- -- 54.00
3. Right quarter extension and tail light filler ..... (new 

--

  --   --   --   116.00
...........aftermarket ABS comes in 2 pieces, ABS, replaces 
...........1 piece original)
Complete rear filler set ....(new aftermarket ABS, -- -- -- -- 222.00
..........comes in 5 pieces replaces 3 piece original)
Illustration of rear fillers

Price and availability subject to change without notice.

Engine and drive train

Engine

Electrical

Quality Grade
Quality level explanation

  _____5 __ _____4 __ _____3 __ _____2 __ _____1
E.F.I. computer ......(prom chips included) --   --   --   --   --
...........1980 .....350 C.I. .....(not currently available) -- -- -- -- --
...........1980 .....368 C.I.  -- -- -- -- 150.00
...........1981 .....368 C.I. .....4-6-8 system -- -- -- -- 150.00
...........1982 .....HT4100 .......(four different types  -- -- -- -- 150.00
........................available will need numbers off PROM chips 
........................under inspection cover to match up)
...........1983 ....HT4100 --   --   --   --   150.00
...........1984 ....HT4100 -- -- -- -- 150.00
...........1985 ....HT4100 -- -- -- -- 150.00
    
Fast idle switch ........(1980 , check for availability) -- -- -- -- 175.00
Fast idle valve assembly -- -- -- -- 58.00
Air Temperature sensor ............................NOS 125.00
Air Temperature sensor .... (nice used) 98.00
Water Temperature sensor .......................NOS 125.00
Water Temperature sensor ... (nice used) 98.00
Air management valve system ....('81 4-6-8  -- -- -- -- 95.00
..........system only)
Modulator displacement solenoid ......(for '81 4-6-8 -- -- -- -- 75.00
.......system. Mounted under valve covers, controls 
.......displacement of engine by moving valves)
Batter hold down -- -- -- -- 25.00
Alternator rear brace .......(HT4100 engine, attaches to -- -- -- -- 25.00
........cylinder head)
Engine wiring harness .......(1981, 4-6-8 style motor) -- -- -- -- 125.00

Fuel and cooling

Radiator ......(nice used) --   --   --   --   95.00
Fuel tank float/sending unit/primary pump ........(1982 -  -- -- -- -- 85.00
..........1985 HT4100 engine)

Engine heads, block, and manifolds

Left exhaust manifold .........('82-85 HT 4100) -- -- -- -- 150.00
Left exhaust manifold ............(350ci - 5.7 ltr engine, 1980-81 -- -- -- -- 150.00
........with taped hole for oxygen sensor)
Oil filter adapter ........(2 cooling lines and oil pressure sensor  --   --   --   --   85.00
..........attach to it, mounts to right rear of block, HT4100 engine                  
..........labor intensive to remove)
Engine auxiliary vacuum pump .......(HT4100 1982 - 1985) -- -- -- -- 65.00

Transmission

Transmission pan --   --   --   --   45.00
                   

Axles and final drive

Right front stub axle with support bearing --   --   --   --   125.00
Final drive --   --   --   --   125.00

If a part doesn't have a price filled in yet, It doesn't mean we don't have that item.

Steering, front suspension, and brakes

Steering

                   
                   

Suspension

                   
                   

Brakes

Brake booster .........(hydraulic style, powered by steering  --   --   --   --   75.00
..........pump)
Brake booster .........(vacuum style, '84-85, price does not   --   --   --   --   75.00
...........include $45.00 core charge)
Brake proportioning valve 48.00
Rear calipher assembly w/ parking lever & spring 75.00
Rear calipher parking lever & spring only 38.00

 

Wheels and wheelcovers

 

Wire wheel covers  --   75.00   95.00   125.00   150.00
Wire wheels ......(not available) --   --   --   --   --
Alloy wheels ......(without center caps/discs)
Alloy wheel center caps

Terminology has been dbaerized.

Interior pieces

 

Dash and column

Dash pad ........(maybe your color, or suitable to be dyed) -- -- -- -- 175.00
Steering column .....(with key, without levers or wheel,) -- -- -- -- 150.00
.....need to know if it's tilt, and if you have auto dimming. 82-83,
.......84-85)
                     
Featured Item            
1980 Blue Steering Wheel
     See Pictures   ----------------→             
                     
                   
Courtesy light lenses ........(mounted below dash) -- -- -- -- 15.00
Dash center ashtray insert -- -- -- -- 28.00
Steering wheel horn pad --   --    --   --   55.00
Windshield wiper switch ......(intermittent) --   --   --   --   45.00
Instant fuel mileage digital display -- -- -- -- 45.00
Audible warning device .......(warning chime) -- -- -- -- 75.00
This is a list of the radios Cadillac listed for this year/model, inquire for availability and/or price.
AM/FM stereo radio  --   --   --   --  
8-track radio -- -- -- --
CB - AM/FM stereo  -- -- -- --
CB - 8 track stereo -- -- -- --
Cassette stereo  -- -- -- --
CB Cassette stereo . -- -- -- --
Bose cassette radio ........(has silver face, amber display)
Illustration of Instrument Panel

Seats

Front seat motor .........(single motor style, need to know --   --   --   --   --
........the type of seat you have, 50/50, 60/40, bench, and
........what options you have, memory, reclining back, etc.
........inquire for price and availability)
Front seat transmission .........(milky white plastic casing --   --   --   --   65.00
........ price does not include $25.00 core charge, single motor)                
Click here for illustration of single motor
Front seat motor ........(three motor style, no transmission) --   --   --   --   125.00
Click here for illustration of three motors
Power seat 6-way control memory module -- -- -- -- 75.00
Seat steel frame/track assembly -- -- -- -- 125.00
Seat aluminum frame/track assembly -- -- -- -- 125.00
Seat switch ......(different styles used, need number of  --   --   --   --   65.00
.........pins on back to match)
Seat switch plug/pigtail .......(need number of pins  -- -- -- -- 18.00
.........to match up)
Seat relay -- -- -- -- 35.00
Seat cables -- -- -- -- 20.00
Front seat belt mounting bolt plug/cover -- -- -- -- 12.00
Seat back grab strap woodgrain end caps -- -- -- -- 8.00
Power seat 6-way control memory module --   --   --   --   75.00

Door interior

Inside door handle assembly --   --   --   --   45.00
Right front door armrest --   --   --   80.00   100.00
Illustration of interior side panels

Interior side panels and moldings

                   
                   

These are the most requested items. Feel free to inquire about items not listed.

Accessories

Climate control

Climate control head ......(many different styles were       
........available, they are listed below. Prices do not include               
..........$25.00 core charge. Availability varies) Part #
....'80 control head .....(with defog button under DEFOG text) 16011828 -- -- -- inquire
....'80 control head .....(without defog button under DEFOG  16011827 -- -- -- inquire
..........text)
....'81 control head .....(with defog button under DEFOG text, 1224844 -- -- -- inquire
..........368 C.I. engine with 4-6-8 system)
....'81 control head .....(without defog button under DEFOG  1224845 -- -- -- inquire
..........text, 368 C.I. engine with 4-6-8 system)
....'81 control head .....(with defog button under DEFOG text, 1224841 -- -- -- inquire
............4-cyl. gas, or, diesel engine)
....'81 control head .....(without defog button under DEFOG  1224842 -- -- -- inquire
............text, 4-cyl. gas, or, diesel engine)
....'82-85 control head .....(with defog button under DEFOG  1225511 -- -- -- 125.00
............text, HT4100 engine)
....'82-85 control head .....(without defog button under  1225513 -- -- -- 95.00
...........DEFOG text, HT4100 engine)
....'82-'85 control head .....(with defog button under DEFOG  1225515 -- -- -- inquire
............text, 4-cyl. gas, or, diesel engine)
....'82-'85 control head .....(without defog button under  1225517 -- -- -- inquire
............DEFOG text, 4-cyl. gas, or, diesel engine)
Electronic power module .......(mounts in air box, in engine  -- -- -- 65.00
.........compartment, '82-'85)

Twilight sentinel - Auto dimming

                   
                   

Windshield wipers

1979 Wiper switch w/ delay 58.00 68.00
1980-85 Wiper switch w/ delay 48.00 58.00
Left wiper arm                 35.00
Right wiper arm                  35.00
Wiper motor .......(without washer fluid pump) 95.00
Washer fluid pump 48.00
Washer fluid bottle 45.00
                   
                   

Ride leveling

Ride leveling sensor/valve assembly --   --   --   --   95.00
Ride leveling compressor .........(Electric style) --   --   --   --   95.00

Prices and availability subject to change without notice.

Literature, models, and mobilia

 

1981 Cadillac Shop Manual 81 service manual.jpg (2869947 bytes)      
     
1981 Cadillac Fisher Body Service Manual      
     
     
     

dbaer only deals in original Cadillac parts and literature

     
     Low price is for ideal copy for workbench or under the hood        
     Middle price is a nicer copy            
     Top price is like new or equivalent              

 

                   
                   

Please email us at faded.fins@yahoo.ca for price and availability. Cadillacville has an extensive inventory. International orders welcome.. For instructions on how to order, click here.   

Click here to return to www.cadillacville.com homepage


Free counters provided by Honesty.com.