1980 - 84 Cadillac
except Eldorado and Seville

This listing only covers the most frequently requested parts for this year of Cadillac. If the item or items you are looking for are not shown, please email us at sales@cadillacville.com for price and availability. Cadillacville has an extensive inventory. International orders welcome.

Shop Our New Online Cadillac Parts Store at https://shopcadillacville.com
Thousand's of Parts Available

How to order and pay

Front bumper

 

 

Prices are for each, unless otherwise noted.

 

Quality Grade
Quality level explanation

  _____5 __ _____4 __ _____3 __ _____2 __ _____1
25. Front bumper center bar --   --   200.00   250.00   300.00
48. Front bumper reinforcement -- -- -- -- 95.00
23. Front bumper end impact strip ....(L or R, each) -- -- 45.00 55.00 65.00
56. Front bumper ends ....(L or R, each) -- -- 75.00 95.00 125.00
2. Bumper guard ..... (without impact strip) -- -- 25.00 35.00 45.00
3. Bumper guard attaching bracket ....(L or R, each) -- -- -- -- 25.00
1. Bumper guard impact strip ....(L or R, each) -- -- -- 35.00 45.00
42. Front bumper absorber mounts ....(each) -- -- -- -- 65.00
1980-81 Illustration of front bumper asm 
1982-88 Illustration of front bumper asm                  

If a part doesn't have a price filled in yet, It doesn't mean we don't have that item.

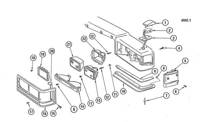
Front grill and lights

dbaer's cadillacville specializes in original Cadillac parts. Our extensive inventory of retired Cadillacs allows us to offer a variety of conditions, ranging from average driver to excellent. Of course, for higher quality you pay a higher price.

Grill -- -- 75.00 95.00 125.00
"Classic Car" grill and hood cap (w/ hood ornament) -- -- -- -- 395.00
Headlight/parking/side marker light bezel --   --   35.00   45.00   55.00
Parking light lens assembly  --   --   35.00   45.00   55.00
Marker corner light lens assembly -- -- 45.00 55.00 65.00
Illustration of front lights
1. Right headlight lower filler ('82-89)..... (New ABS plastic) -- -- -- -- 45.00
   Right headlight lower filler..... (Nice original) -- -- 55.00 65.00 75.00
2. Left headlight lower filler ('82-89)..... (New ABS plastic) -- -- -- -- 45.00
   Left headlight lower filler...... (Nice original) -- -- 55.00 65.00 75.00
Illustration of front fillers

 

Fenders and hood

 

Fenders

Fender ....(without moldings, lights, etc.) 195.00 235.00 265.00 295.00
Wheel opening molding 45.00 55.00 65.00
Body side molding ..... (polished stainless) 22.00 28.00
Power antenna ...... (non-CB style) ... (price does not include --   --   --   --   150.00
..............$45.00 core charge)                  
Power antenna ....  (CB style) ... (price does not include (inquire)
..............$65.00 core charge)
Fender power antenna two piece bezel 28.00
Illustration of front sheet metal and moldings
3. Left fender side filler ...... (New ABS plastic) -- -- -- -- 47.00
   Left fender side filler ...... (Nice original) -- -- -- 55.00 65.00
4. Right fender side filler..... (New ABS plastic) -- -- -- -- 47.00
   Right fender side filler..... (Nice original) -- -- -- 55.00 65.00
Illustration of front fillers

Hood

Hood 165.00 200.00 250.00
Header panel .......(forward of hood, plastic) --   --   100.00   125.00   150.00
deVille hood ornament  --   --   28.00   38.00   48.00
Fleetwood hood ornament 45.00 55.00 65.00 75.00

Prices and availability subject to change without notice.

Doors ...........(for interior trim see Interior)

 

Coupe door shell -- -- -- -- --
Left and Right door weather strip .... per pair
doorweatherstrip.JPG (609759 bytes)
(NEW) -- --

--

145.00
Sedan deVille front door shell 150.00
Sedan deVille front door shell weather strip 125.00
Sedan deVille rear door shell 150.00
Sedan deVille rear door shell weather strip 95.00
Following parts are for Coupe
Window frame outside front molding .....(aluminum, --   --   --   --   25.00
.......if front and top molding are separate)                  
Window frame outside upper molding ....(aluminum, -- -- -- -- 35.00
.......if front and top molding are separate)
Window frame outside front/top molding .....(aluminum, -- -- -- -- 55.00
.......if front and  top of window frame molding are one piece)
Window frame outside rear molding .......(aluminum,  -- -- -- 35.00 45.00
........tends to get scratched/scuffed easily)
Window frame outside molding clips .......(not available) -- -- -- -- --
Following parts apply to all doors
Window motor and regulator assembly -- -- -- -- 125.00
Outside door handle ....(standard)
Outside door handle ....(             )
Coupe door glass 125.00
Cpe. door glass outside weather strip w/ molding 95.00 125.00
......Because of method used to attach weather strip to chrome
......molding, it is best to leave them together.
Cpe. door glass outside weather strip w/o molding 55.00 65.00
Cpe. door glass inside sweep / weather strip --   -- -- -- 50.00
Sedan door glass ...... (front or rear) 85.00
Sedan door glass outside weather strip w/ molding 75.00 95.00
......Because of method used to attach weather strip to chrome
......molding, it is best to leave them together.
Sedan door glass outside weather strip w/o molding 45.00
Sedan door glass inside sweep / weather strip 38.00
Illustration of Door Hardware
Rear view mirror .........(the following styles of rear view 
......mirrors were available, manual remote non heated, 
......manual remote heated, electric remote non heated, and 
......electric heated. Please indicate which style you have 
......when ordering. All mirrors same price.)
Left door rear view mirror .......(non thermometer style)  -- -- 75.00 95.00 125.00
Left door rear view mirror ......(thermometer style, without  -- -- 75.00 95.00 125.00
.........thermometer)
Right door rear view mirror  -- -- 75.00 95.00 125.00
Rear view mirror thermometer -- -- -- -- 45.00
Body, roof and glass

 

Drip rail forward molding ........(down A-pillar, each) -- -- -- -- 22.00
Drip rail upper molding ........(over doors) -- -- -- 35.00 45.00
Sun roof drive cables ......(each) --   --   --   --   65.00
Fleetwood Brougham Coupe rocker moldings  --   --   --   --   --
......(not available)
Std Opera light lens .........(each, without chrome base) -- 28.00 35.00 45.00 55.00
Std Opera light chrome bezel ....(Left or Right, each) 22.00 28.00 38.00
Std Opera light lamp housing ...(Left or Right, each) 28.00 38.00
deElegance Opera light lens ....(each, without chrome base) 35.00 45.00 55.00 65.00
deElegance chrome bezel ....(Left or Right, each) 22.00 28.00 38.00
deElegance lamp housing ....(Left or Right, each) 28.00 38.00
Illustration of Opera lens styles

These are the most requested items. Feel free to inquire about items not listed.

Quarter and trunk

 

Quarter panel .........(without trim, etc.) --   --   --   --   450.00
Quarter window outside molding with weatherstrip  -- -- 65.00 85.00 95.00
.....(each)
Quarter extension .........(each, left and right) -- -- -- -- 100.00
Trunk lock cover assembly --   --   55.00   75.00   95.00
Trunk pull down assembly ......(price does not include  -- -- -- -- 125.00
..............$25.00 core charge)

Terminology has been dbaerized.

Rear bumper

 

42. Rear bumper center bar --   --   195.00   250.00   295.00
3. Rear bumper center impact strip --   --   55.00   75.00   95.00
38. Rear bumper center reinforcement -- -- -- -- 65.00
10. Rear bumper end 55.00 75.00 95.00 120.00 150.00
30. Absorber mount -- -- -- -- 55.00
Illustration of rear bumper assembly

 

Rear lights and fillers

 

Lights

Tail light lens --   --   55.00   65.00   75.00
Tail light lens bezel --   --   35.00   45.00   65.00
Rear side-marker light -- -- -- 28.00 38.00
View tail lights here
Early 90's  Lens Style 95.00
View lens

Fillers

Original
          Left quarter extension....... (Nice Original) -- -- -- 100.00 125.00
          Right quarter extension...... (Nice Original) -- -- -- 100.00 125.00
          Left valance 55.00
          Center upper (license) piece 75.00
          Right valance 55.00
          Above 3-piece assembly 165.00
          Center lower piece 68.00
          Flat gas filler 48.00
Illustration of Original Fillers
New Aftermarket ABS
          1. Left quarter extension...... (New ABS Plastic)   --   --   --   89.00
          2. Right quarter extension...... (New ABS Plastic) --   --   --   --   89.00
          1. & 2.   Pair (L and R) .......... (New ABS Plastic) 159.00
          4. Left valance...... (New ABS Plastic) -- -- -- -- 45.00
          3. License lower filler..... (New ABS Plastic) -- -- -- -- 48.00
          5. Right valance..... (New ABS Plastic) -- -- -- -- 45.00
-- -- -- --
           6. Flat gas filler...... (New ABS Plastic) -- -- -- -- 48.00
-- -- -- --
Illustration of Rear Fillers

Price and availability subject to change without notice.

Engine and drive train

Engine

Electrical

 

Quality Grade
Quality level explanation

  _____5 __ _____4 __ _____3 __ _____2 __ _____1
EFI computer .......(prom chip included, HT 4100 engine) --   --   --   --   95.00
EFI computer ......(1981) --   --   --   --   175.00
Modulator displacement solenoid ......(for '81 4-6-8 -- -- -- -- 75.00
.......system. Mounted under valve covers, control
.......displacement of engine by moving valves)
Air management valve system ....('81 4-6-8 system -- -- -- -- 95.00
......only)
Alternator rear brace .......(HT4100 engine, attaches to -- -- -- -- 25.00
.........cylinder head)
Alternator ........(1982-1984 HT4100, nice used) -- -- -- -- 55.00
Throttle position sensor ......(1982-1985 HT4100) -- -- -- -- 48.00
Fast idle switch ......(when available, inquire 1980) -- -- -- -- 125.00

Fuel

Fuel tank float/sending unit/primary pump .........(1982- --   --   --   --   85.00
.......1984 HT4100 engine)                  

Engine heads, block, and manifolds

Left exhaust manifold ........(1981 4-6-8  engine) --   --   --   --   125.00
Right exhaust manifold ........(1981 4-6-8  engine) --   --   --   --   125.00
Oil filter adapter ......(HT4100 engine, labor intensive to  --   --   --   --   125.00
........remove)
Auxiliary vacuum pump rear support brace -- -- -- -- 25.00
1980-81 368 CI Engine oil pan 95.00 125.00

Transmission

                   
                   

Drive shaft and rear end

                   
                   

If a part doesn't have a price filled in yet, It doesn't mean we don't have that item.

Steering, front suspension, and brakes

Steering

Power steering fluid reservoir ........(mounts on fan  --   --   --   --   58.00
......shroud, 1982 and later models)                  

Suspension

                   
                   

Brakes

                   
                   
Wheels and wheelcovers

 

Wire wheel cover .......(without locks, if used) --   --   75.00   125.00   150.00
                   

Terminology has been dbaerized.

Interior pieces

Dash and column

Dash pad ........(color?) -- -- -- -- 150.00
Fuel gauge ... 1980 -- -- -- -- --
Fuel gauge ... 1981 ... (with LO-level light) -- -- -- -- 75.00
Fuel gauge ... 1982-4 -- -- -- -- --
 
Dash center panel .......(around stereo and climate control) -- 55.00 75.00 95.00 125.00
                     
Featured Item            
1980 Blue Steering Wheel
     See Pictures   ----------------→             
                     
  
Steering wheel horn pad ..........(color?) *80-83 or 84 and up -- -- 45.00 55.00 65.00
Steering column with key ......(tilt/tele, auto dimming or -- -- -- -- 250.00
......non auto dimming, 82-83, 84) .... (price does not include
......steering wheel, levers, and external switches.)
This is a list of the radios Cadillac listed for this year/model, inquire for availability and/or price.
AM/FM stereo radio ......(1980 - 1985) --   --   --   --  
8-track radio -- -- -- --
CB - AM/FM stereo  -- -- -- --
CB - 8 track stereo -- -- -- --
Cassette stereo ........(1980 -1985) -- -- -- --
CB Cassette stereo .......(1980 - 1985) -- -- -- --
Power antenna ...... (non-CB style) ... (price does not include --   --   --   --   150.00
..............$45.00 core charge)                  
Power antenna ....  (CB style) ... (price does not include (inquire)
..............$65.00 core charge)
Illustration of Dash Pieces 1
Illustration of Dash Pieces 2

Seats

Front seat motor .........(single motor style, need to know --   --   --   --   --
.......the type of seat you have, 50/50, 60/40, bench, and
.......what options you have, memory seat, reclining back, etc.
.......inquire for price and availability)
Front seat transmission .........(milky white plastic casing --   --   --   --   65.00
........ price does not include $25.00 core charge, single motor)                
Click here for illustration of single motor
Front seat motor ........(three motor style, no transmission) --   --   --   --   125.00
Click here for illustration of three motors
Power seat 6-way control memory module -- -- -- -- 75.00
Seat steel frame/track assembly -- -- -- -- 125.00
Seat aluminum frame/track assembly -- -- -- -- 125.00
Seat switch ......(different styles used, need number of  --   --   --   --   65.00
.........pins on back to match)
Seat switch plug/pigtail .......(need number of pins  -- -- -- -- 18.00
.........to match up)
Seat relay -- -- -- -- 35.00
Seat cables -- -- -- -- 20.00
Front seat outboard lap/shoulder belt and retractors  -- -- -- -- 95.00
......(each side, color?)

Door interior

Window inboard sweep with stainless trim piece -- -- -- -- 58.00
Door panel armrest ....(coupe, maybe your color, or dyeable) --   --   --   --   125.00
2 button window switch --   --   --   --   28.00
Woodgrain control bezel .......(holds in switches on door) -- -- -- -- 49.00
Door lock switch -- -- -- -- 20.00
Front door ashtray insert -- -- -- -- 20.00

Interior side panels, moldings, and miscellaneous interior

Inside rear view mirror --   --   --   --   45.00
                   

These are the most requested items. Feel free to inquire about items not listed.

Accessories

Climate control

Climate control head ......(many different styles were       
........available, they are listed below. Prices do not include               
..........$25.00 core charge. Availability varies) Part #
....'80 control head .......(style with slot in right hand  16003166 -- -- -- 125.00
...........mounting tab)
....'81 control head .....(with defog button under DEFOG text, 1224841 -- -- -- inquire
..........368 C.I. engine with 4-6-8 system)
....'81 control head .....(without defog button under DEFOG  1224842 -- -- -- inquire
..........text, 368 C.I. engine with 4-6-8 system)
....'81 control head .....(without defog button under DEFOG  1224842 -- -- -- inquire
............text, 4-cyl. gas, or, diesel engine)
....'82-85 control head .....(with defog button under DEFOG  1225510 -- -- -- 125.00
............text, HT4100 engine)
....'82-85 control head .....(without defog button under  1225512 -- -- -- 95.00
............DEFOG text, HT4100 engine)
....'82-85 control head .....(with defog button under DEFOG  1225514 -- -- -- inquire
............text, 4-cyl. gas, or, diesel engine)
....'82-85 control head .....(without defog button under  1225516 -- -- -- inquire
............DEFOG text, 4-cyl. gas, or, diesel engine)

Twilight sentinel - Auto dimming

                   
                   

Ride leveling system

Ride leveling compressor --   --   --   --   95.00
Ride leveling rear level sensor/control --   --   --   --   95.00

Windshield wipers

1980-84 Wiper switch w/ delay 48.00 58.00
Left wiper arm                 35.00
Right wiper arm                  35.00
Wiper motor .......(without washer fluid pump) 95.00
Washer fluid pump 48.00
Washer fluid bottle 45.00

Prices and availability subject to change without notice.

Literature, models, and mobilia

 

1981 Cadillac Shop Manual 81 service manual.jpg (2869947 bytes)     38.00 48.00 58.00
         
1981 Cadillac Fisher Body Service Manual     28.00 38.00 48.00
         
         
                   
         
1982 Electrical Information and Diagnosis Manual      
38.00

               
                   
                   
   

For instructions on how to order, click here.   

Click here to return to www.cadillacville.com homepage

 

 


Free counters provided by Honesty.com.