1976 - 1979 Seville

This listing only covers the most frequently requested parts for this year of Cadillac. If the item or items you are looking for are not shown, please email us at sales@cadillacville.com for price and availability. Cadillacville has an extensive inventory. International orders welcome.

Shop Our New Online Cadillac Parts Store at https://shopcadillacville.com
Thousand's of Parts Available

How to order and pay

 

Front bumper

 

 

Prices are for each, unless otherwise noted.

 

Quality Grade
Quality level explanation

  _____5 __ _____4 __ _____3 __ _____2 __ _____1
Front bumper upper chrome bar --   --   150.00   195.00   250.00
Front bumper lower chrome bar -- -- 150.00 195.00 250.00
Front bumper impact strip ......(with end caps, if used) 125.00   150.00   175.00   200.00   250.00
Front bumper impact strip end cap -- -- -- -- 25.00
Front bumper outboard guard impact strip ....(each) -- -- 35.00 45.00 55.00
Front bumper outboard guard  -- -- -- 25.00 35.00
Front bumper inboard guard impact strip -- -- 25.00 35.00 45.00
Front bumper inboard guard -- -- -- -- 25.00
Front license plate mounting bracket -- -- -- -- 28.00
Illustration of front bumper

If a part doesn't have a price filled in yet, It doesn't mean we don't have that item.

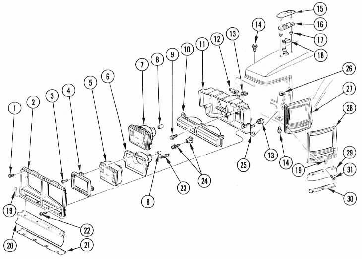
Front grill and lights

dbaer's cadillacville specializes in original Cadillac parts. Our extensive inventory of retired Cadillacs allows us to offer a variety of conditions, ranging from average driver to excellent. Of course, for higher quality you pay a higher price.

Front grill -- -- 75.00 100.00 125.00
12. Headlight plastic housing ....(w/ adjusters) -- -- 100.00 125.00 150.00
2. Headlight/parking light chrome door.....Original --   --   75.00   95.00   125.00
  
  

Featured Item

dsc08113.jpg (570238 bytes)

Left headlight/parking light  SOLD -- 150.00

   chrome door------------------See Pictures------->

   
       
20. Headlight/parking light door lower filler -- -- -- 25.00 38.00
10. Park light lens........(under headlights, clear or amber?) -- 45.00 55.00 65.00 85.00
27. Marker/corner light lens ......(on front corner of car) -- 45.00 55.00 75.00 95.00
28. Marker/corner light bezel  45.00 55.00 65.00 75.00 95.00
29. Marker/corner light bezel lower filler -- -- -- 25.00 38.00
Marker/corner light upper "L" shaped molding .....('76 -- -- 25.00 35.00 45.00
......Seville style, hood molding extension)
Marker/corner light upper "L" shaped molding .....('77-79 -- -- -- 25.00 35.00
......Seville style, hood molding extension)
Illustration of front lights

 

Fenders and hood

 

Fenders

Fender .......(without trim, etc.) -- -- 135.00 165.00 195.00
Fender body side molding ........(vinyl inlay color?) -- -- 25.00 35.00 45.00
Left wheel opening molding -- -- 55.00 75.00 95.00
Right wheel opening molding -- -- 75.00 95.00 125.00
Fender aft lower molding ......(just above rocker molding) -- -- 27.00 35.00 45.00
Fender aft lower molding clips ......(each) -- -- -- -- 6.00
1. Left fender forward lower filler.......(new ABS aftermarket 49.00
........plastic)
1. Left fender forward lower filler ......(nice used original) 65.00
2. Right fender forward lower filler.......(new ABS 
........aftermarket plastic) 49.00
1. Right fender forward lower filler ......(nice used original)
Illustration of front fender forward lower fillers 65.00
Fender "Seville" script -- -- -- 28.00 38.00
Power antenna ..........('76 Seville style, 4-wire, round motor  --   --   --   --   195.00
......price does not include $35.00 core charge)                  
Power antenna ..........('77 Seville style, 2-wire, round motor -- -- -- -- 175.00
...... price does not include $35.00 core charge)
Power antenna ..........('78-79 Seville style, 3-wire, flat motor -- -- -- -- 150.00
...... price does not include $35.00 core charge)

Hood

Hood ......(without trim, etc) --   --   150.00   200.00   250.00
Hood front molding .......('76 Seville style) --   --   75.00   100.00   125.00
Hood front molding .......('77 - 79 Seville style) -- 95.00 125.00 150.00 175.00
Hood ornament -- -- 35.00 45.00 55.00

Prices and availability subject to change without notice.

Doors ...........(for interior trim see Interior)

 

Front door shell .....(L or R) -- -- -- -- 195.00
Left and Right door weather strip ... per pair .... (NEW) -- -- -- -- 123.00
Rear door shell ........(L or R) -- -- -- -- 175.00
Left and Right door weather strip ... per pair .... (NEW) -- -- -- -- 123.00
Left rear view mirror .......('76 style only, does not have   --   --   95.00   125.00   150.00
......... Cadillac on front face)
Right rear view mirror .......('76 style only, does not have  -- -- 95.00 125.00 150.00
......... Cadillac on front face)
Left rear view mirror .......('77-9 style) -- -- 75.00 95.00 125.00
Right rear view mirror .....('77-9 style) -- -- 75.00 95.00 125.00
Front door body side molding .......(vinyl inlay color?) -- -- 45.00 55.00 65.00
Rear door body side molding .......(vinyl inlay color?) -- -- 37.00 45.00 55.00
Front door lower molding -- -- 35.00 45.00 55.00
Door outside handle ........(lighted or non-lighted?) -- -- -- 38.00 48.00
Left front door weatherstrip .......(very nice used) -- -- -- -- 125.00
Right front door weatherstrip .......(very nice used) -- -- -- -- 95.00
Left front door sill plate -- -- -- -- 45.00
Illustration of Door Hardware
Body, roof and glass

 

Rocker molding --   65.00   75.00   95.00   125.00
Sunroof drive cable ........(L or R, each) --   --   --   --   58.00
Drive cable aluminum guide ... (Inquire) Inquire
Sail panel crest -- - -- 35.00 45.00

These are the most requested items. Feel free to inquire about items not listed.

Quarter and trunk

 

Left rear wheel opening molding --   --   60.00   75.00   95.00
Right rear wheel opening molding  --   --   75.00   95.00   125.00
Trunk lock cover assembly -- -- 55.00 75.00 95.00
Trunk pull down assembly ..........(price does not include  -- -- -- -- 150.00
...........$25.00 core charge, or motor and cable)
Trunk pull down motor .......(if separate from pull down asm.) -- -- -- -- 35.00
Trunk pull down cable ......(from motor to pull down asm.) -- -- -- -- 25.00

Terminology has been dbaerized.

Rear bumper

 

1976-1977 Bumper main chrome  bar --   --   195.00   250.00   295.00
1978-1979 Bumper main chrome  bar --   --   195.00   250.00   295.00
    (78-79 will have two guards with impact strips)
    (Elegante can have a brown or dark slate colored impact strip)
  
Bumper impact strip .......(with end caps, if used) 125.00 150.00 175.00 200.00 250.00
Rear bumper guard with impact strip --   --   45.00   55.00   75.00
Illustration of rear bumper assembly

 

Rear lights and fillers

 

Lights

Tail light lens --   --   45.00   55.00   75.00
Tail light chrome bezel --   --   35.00   45.00   55.00
Illustration of 76-79 Seville Rear Lights

Fillers

1. Left outboard quarter/rear bumper filler ......(new  --   --   --   --   41.00
..........aftermarket ABS plastic)
2. Left tail light/trunk lid/rear bumper filler ......(new  --   --   --   --   44.00
.........aftermarket ABS plastic)
3. License plate/rear bumper filler .......(new aftermarket  -- -- -- -- 19.00
......... ABS plastic)
4. Right tail light/trunk lid/rear bumper filler ......(new  --   --   --   --   44.00
.........aftermarket ABS plastic)
5.  Right outboard quarter/rear bumper filler ......(new  --   --   --   --   41.00
.........aftermarket ABS plastic)
Complete 5-piece rear filler set .......(new aftermarket  -- -- -- -- 139.00
.........ABS plastic, numbers 1-5)
Illustration of rear fillers

Price and availability subject to change without notice.

Engine and drive train

Engine

Electrical

 

Quality Grade
Quality level explanation

  _____5 __ _____4 __ _____3 __ _____2 __ _____1
Fast idle switch .....(when available - inquire) --   --   --   --   175.00
Fast idle valve assembly -- -- -- -- 58.00
EFI computer ......(we have found that these computers --   --   --   --   195.00
.....will interchange from '76 to '79, however the part 
.....numbers may not match. Probably minor improvements
...... are made each succeeding year. The only thing that 
......really seems to make a difference is if the 
...... computer is a Federal or California type.  Price does 
.......not include $45.00 core charge)
EFI wiring harness -- -- -- -- 48.00
Distributor .......(76 Seville only) -- -- -- -- 100.00
Distributor speed control switch -- -- -- -- 45.00
Distributor vacuum advance ......('77 California car  -- -- -- -- 65.00
.........only, dual vacuum ports, if available)
Ignition module .......(mounts on firewall, two plugs) -- -- -- -- 95.00
Fuel Injector .....(good working) -- -- -- -- 38.00
Throttle position sensor -- -- -- -- 48.00
    
Air Temperature sensor ............................NOS 125.00
Air Temperature sensor .... (nice used) 98.00
Water Temperature sensor .......................NOS 125.00
Water Temperature sensor ... (nice used) 98.00
Temperature sensors ...(mount in intake manifold, 1976
.......uses two different style, one style was used before
......VIN number ending in 480001, the other was used 
......after VIN number 480001)(Call for availability)
   
EGR double solenoid assembly with bracket   -- -- -- -- 125.00
.......(somewhat rare, individual solenoids can be removed
....... and replaced, mounts to right rear, bolt of throttle 
........body, click here for illustration of part)
EGR single solenoid  -- -- -- -- 45.00

Fuel

Left fuel rail 48.00
Right fuel rail 48.00
Fuel injection pressure regulator --   --   --   --   65.00
Throttle body  -- -- -- -- 75.00
Air cleaner/throttle body spacer ring -- -- -- -- 25.00
Throttle cable .....(EFI gas engines) -- -- -- -- 38.00
Fast idle valve assembly -- -- -- -- 58.00
Fuel economy sensor ........(mounts on firewall) -- -- -- -- 48.00
Fuel tank ......(without float, sending unit, etc.. All  EFI gas  --   --   --   165.00   195.00
........engines)
Float/sending unit .......(without primary pump) -- -- -- -- 95.00
Fuel tank primary pump -- -- -- -- 45.00
E.G.R. system illustration
Back pressure EGR valve .........(click here for  -- -- -- -- 65.00
.......picture)
Back pressure transducer .........(click here for  -- -- -- -- 95.00
.......picture)
Backpressure EGR valve with transducer -- -- -- -- 125.00
E.G.R. valve assembly illustration

Engine heads, block, and manifolds

Left exhaust manifold --   --   --   --   95.00
Right exhaust manifold --   --   --   --   250.00
Timing chain cover.......(gas engine) -- -- -- -- 55.00
Coolant overflow jug ........(hard to find in good shape) -- -- -- 45.00 55.00

 

Transmission

Transmission shift linkage ........(bolted to transmission) --   --   --   --   48.00
Transmission dip stick tube --   --   --   --   35.00
Transmission dip stick -- -- -- -- 25.00

Drive shaft and rear end

Drive shaft ......(drive line) --   --   --   --   75.00
Third member/differential ........(nice used, non controlled) --   --   --   --   125.00
Axle shaft ......(nice used, still in tolerance were bearing rides) -- -- -- -- 125.00

If a part doesn't have a price filled in yet, It doesn't mean we don't have that item.

Steering, front suspension, and brakes

Steering

Inquire                  
                   

Suspension

  

Featured Item

Rear Shank Regulator Kit

 See Pictures  ---------->         

NOS
  
Front stabilizer bar --   --   --   --   55.00
Front stabilizer bar bushing/bracket .....(each, nice used) --   --   --   --   35.00

Brakes

Proportioning valve --   --   --   --   45.00
Rear caliper .......(each, guaranteed rebuildable. Part is  --   --   --   --   45.00
.........disassembled so piston and bore can be inspected. It 
.........would be appropriate to reassemble with new seals.)
Rear caliper park brake lever and springs .......(each  -- -- -- -- 38.00
.........side)
Rear caliper backing plate ........(each) -- -- -- -- 35.00
Wheels and wheelcovers

 

Wire wheel covers --   55.00   75.00   100.00   125.00
Wire wheel cover lock  --   --   --   --   22.00
Standard stainless wheel cover .......(year?)
Standard steel wheel .......(professionally spun checked) -- -- -- -- 48.00
Wire wheel .......(not available) -- -- -- -- --

Terminology has been dbaerized.

Interior pieces

 

Dash and column

Dash pad -- -- -- -- Inquire
Cruise control dash switch  --   --   --   --   48.00
Steering wheel                                             Original -- -- -- -- --
                       

   

Featured Item

1977-78 Steering wheel -- -- 195.00
    red               See Pictures ----------->     
                     
   

Featured Item

1977-78 Steering wheel -- -- 195.00
         blue-green             See Pictures ----------->     
                     
    

Featured Item

79 steering wheel...redo redo.JPG (616562 bytes)

1979 Steering wheel         Burlwood woodgrain -- -- 395.00
         gray              See Pictures ----------->     

Steering Wheel wood grain features
          1976: 3-spoke, rosewood finish
          1977-78: 2-spoke, rosewood finish
          1979: 2 spoke, angled down, burlwood finish
    
1976 Steering wheel Horn/Center Pad

Original

-- -- -- -- Inquire
1977-78 Steering Wheel Horn Center Pad       Original -- -- -- -- Inquire
1979 Steering Wheel Horn/Center Pad

Original

-- -- -- -- Inquire
 

Featured Item

1979 Horn applicator (2).JPG (546332 bytes)

1979 Steering Wheel Horn/Center Pad -- -- 95.00

                   See Pictures ----------------->

Basic steering column with key -- -- -- -- --
Telltale assembly printed circuit board ......(for fuel  -- -- -- -- 45.00
....... gauge and warning lights, analog dash)
Instrument cluster printed circuit ......(for speedometer,   -- -- -- -- 45.00
........etc., analog dash)
Dash center panel/ashtray lid .......(analog or digital dash) -- -- -- -- 68.00
  

Featured Item

1977-79 Seville- Eldo shift indicator (2).JPG (522782 bytes)

1977-79 Seville or Eldorado Shift Indicator NOS

 See Pictures   -------------->    

  
  
This is a list of the radios Cadillac listed for this year/model, inquire for availability and/or price.
AM/FM mono ......(1976 - 1977) -- -- -- -- --
AM/FM stereo with signal seek .........(1976 - 1978, non  -- -- -- -- --
........digital)
AM/FM  stereo with signal seek and weather channel  -- -- -- -- --
......button .........(1976 only)
AM/FM stereo with 8-track ........(1976 - 1978)  -- -- -- -- --
AM/FM stereo with digital display .......(1977-1979 only) -- -- -- -- --
AM/FM stereo with 23 channel CB ........(1977 only) -- -- -- -- --
AM/FM stereo with 40 channel CB ........(1977-78 only) -- -- -- -- --
AM/FM stereo with 40 channel CB and 8-track 
........(1978 only,  non digital display)
AM/FM stereo with 40 channel CB, 8-track, and -- -- -- -- --
.......digital display .......(1978-79 only)
AM/FM stereo with 8-track and digital display 
.........(1979 only)
AM/FM stereo with 40 channel CB and digital display -- -- -- -- --
.........(1979 only)
AM/FM stereo radio with cassette and digital display -- -- -- -- --
.........(1979 only)

Seats

.........Following is for '76-'78 Seville
6-way seat motor --   --   --   --   75.00
6-way seat transmission --   --   --   --   95.00
6-way seat relay -- -- -- -- 35.00
Six way seat switch .......(except '79 21-pin style switch) -- -- -- -- 48.00
Seat six way track assembly ......(each) -- -- -- -- 65.00
.........Following is for '79 Seville
Motor (round-style) -- -- -- -- 48.00
Transmission (white plastic case) -- -- -- -- 95.00
Relay -- -- -- -- 35.00
Cables (set of 6) -- -- -- -- 36.00
Six way seat switch .......('79 21-pin style switch) -- -- -- -- 68.00

Door interior

Left front door armrest .....(very difficult to find one that the  --   --   --   95.00   --
.......delicate plastic frame, inside the molded vinyl covering,                   
.......hasn't broken down. An original with nice vinyl and just a 
.......few, easily repaired breaks in  the frame is $95.00)
Left front four-button window switch -- -- -- -- 68.00
Left front window switch woodgrain plastic bezel -- -- 45.00 55.00 65.00
............76-78 rosewood,
            79 burlwood         58.00   68.00   78.00
Pull handle/chrome frame with woodgrain 45.00 55.00 65.00 75.00
...........76-78 rosewood, '79 burlwood
  
Door handle/ switches assembly             
               See Pictures        ----------------->    --    --    -- 
             
  
                     
Six way seat switch ..........(except '79 21-pin style) -- -- -- -- 48.00
Six way seat switch ........('79 21-pin style) -- -- -- -- 68.00
Inside door handle black plastic escution -- -- -- -- 28.00
Door lock switch -- -- -- -- 25.00

Interior side panels and moldings

Sun roof switch --   --   --   --   45.00
                   

These are the most requested items. Feel free to inquire about items not listed.

Accessories

Climate control

Climate control head ........(1976 Seville uses two styles,  --   --   --   --   100.00
.......first style has two relays on evaporator case, second                   
.......style has one, $25.00 core charge not included, price 
.......same for 1976 - 1979)
Climate control programmer ........(price does not  -- -- -- -- 150.00
.......include $35.00 core charge)
Air conditioning compressor with clutch and pulley -- -- -- -- 95.00
Interior temperature sensor -- -- -- -- 25.00
  

Featured Item

1969-79 cad ATC high blower relay (1).JPG (587022 bytes)

Automatic Temperature Control High Blower Relay

NOS

-- 58.00

See Pictures    ------------------>

  
Fan blower motor .......(good used) -- -- -- -- 45.00

Twilight sentinel - Auto dimming

                   
                   

Cruise

Cruise control transducer --   --   --   --   75.00
Cruise servo .......(large disc shaped part with a vacuum  --   --   --   --   48.00
........diaphragm)
Cruise control dash mounted switch -- -- -- -- 45.00
Cruise control turn signal arm ......(with cruise button,  -- -- -- -- 55.00
.......color?)

Windshield wipers

Windshield washer jug without cap   $35.00   45.00
Windshield washer jug cap with fluid level sensor and switch   --   48.00
Windshield washer pump   --   48.00
Windshield wiper motor .....(without washer fluid pump)   --   75.00
Wiper switch (Non-Intermittent style) 55.00   65.00   75.00
Wiper switch (Intermittent style) 55.00   65.00   75.00

Prices and availability subject to change without notice.

Literature, models, and mobilia

 

1976 Seville Shop Manual

  --   --    
1976 Seville Fisher Body service manual   --   --    
  
Cadillac Seville Showroom Album

wpe1.jpg (37519 bytes)

               See Pictures  ▬▬▬▬► -- -- 175.00
                   
                   
             
1976 Seville Owner's Manual            
          Consumer Information             
          Warranty Information     <▬  See Pictures      
          Maintenance Schedule
                   

For instructions on how to order, click here.   

Click here to return to www.cadillacville.com homepage

 

 

 


Free counters provided by Honesty.com.